PVC-C kontrolno staklo DN25-200 1"-8" ANSI standard

Svijetlo sivo PVC-C kontrolno staklo DN15-200 Posebno visokotlačno plastično kontrolno staklo za razinu ulja JIS DIN ANSI standard
Podrijetlo: Zhejiang, Ningbo
Naziv marke: KXPV
Materijal: PVC-C
Proces: kovanje
Boja: svijetlo siva
Vrsta priključka: prirubnica
Oblik: Smanjenje
Šifra glave: šesterokutna
Naziv proizvoda: Sight Glass
Veličina: DN15-200
Vrijeme isporuke: 7 dana
Minimalna količina za narudžbu: 1 komad
Mogućnost nabave: 10.000 komada/mjesec

Vlačna klasa: 1.0Mpa(10bar)

Temperaturno vezan popis aplikacija

Materijal Srednja temperatura℃ Materijal Srednja temperatura℃
PVC-C -20 ℃ ~ 95 ℃ PVC-U -5℃~ 45℃
FRPP -20 ℃ ~ 120 ℃ PPH -20 ℃ ~ 110 ℃
PVDF 40 ℃ ~ 150 ℃

Strukturne značajke proizvoda

1. Kompaktan i estetski ugodan dizajn.
2. Lagano tijelo za jednostavnu instalaciju.
3. Otporan na habanje, jednostavan za rastavljanje i jednostavno održavanje.
4. Izrađen od borosilikatnog stakla, nudi jaku otpornost na koroziju i široku primjenu.
Pogodno za većinu teških radnih okruženja, s dugim vijekom trajanja

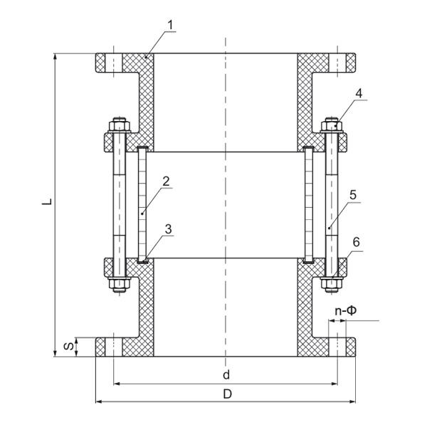
Tablica materijala dijela

br. Ime Materijal Kol.
PVC-C PVC-U PVDF PPH FRPP
1 Baza PVC-C PVC-U PVDF PPH FRPP 2
2 Staklo BSi BSi BSi BSi BSi 1
3 Brtvena guma FPM EPDM FPM EPDM EPDM 2
4 Šesterokutna matica 304 Željezo 304 Željezo Željezo 16-32 (prikaz, ostalo). (prikaz, ostalo).
5 Dvostruki klin zaglavlja 304 Željezo 304 Željezo Željezo 4-8
6 Komad za punjenje 304 Željezo 304 Željezo Željezo 16-32 (prikaz, ostalo). (prikaz, ostalo).
Popis dimenzija



Specifikacija D (mm) d(mm) L (mm) s (mm) n-Φ (mm)
1"(25) 115 79 238 15 4-Φ16
1½" (40) 150 98 230 16 4-Φ16
2"(50) 165 121 233 17 4-Φ19
2½" (65) 195 140 277 20 4-Φ19
3" (80) 195 152 277 20 8-Φ19
4"(100) 220 191 310 21 8-Φ19
5" (125) 250 216 350 26 8-Φ22
6" (150) 285 241 385 27 8-Φ23
8" (200) 340 299 400 25 8-Φ23x29
Poruka povratne informacije
O nama
Kaixin Pipeline Technologies Co., Ltd.
Osnovano 1999. godine, Kaixin Pipeline Technologies Co., Ltd. je visokotehnološko poduzeće koje integrira istraživanje i razvoj, proizvodnju, prodaju i usluge. Tvrtka ima višestruke prestižne certifikate, uključujući Nacionalno visokotehnološko poduzeće, Specijalizirano i sofisticirano malo i srednje poduzeće “Mali div”, Nacionalni prvak pojedinačnog proizvoda (uzgoj), Malo poduzetništvo temeljeno na provincijskoj tehnologiji, Specijalizirano i sofisticirano malo poduzetništvo u Ningbou, prvak pojedinačnog proizvoda Ningbo (uzgoj), Centar za istraživanje i razvoj tehnologije polimernih cijevi i ventila Ningbo, Zelena tvornica na razini okruga, Ningbo Poduzeće s četiri zvjezdice za inovacije u upravljanju i sposobnost upravljanja podacima u poduzeću Razina zrelosti 2.
Specijalizirani smo za razvoj, proizvodnju i opskrbu nemetalnih proizvoda otpornih na koroziju za kemijsku primjenu, uključujući plastične ventile, cijevi, priključke za cijevi i pumpe otporne na koroziju. Naš portfelj proizvoda obuhvaća materijale kao što su PVC-C, PVC-U, PVDF, PPH i FRPP, sa širokim rasponom vrsta i specifikacija. Naime, naši leptirasti ventili mogu doseći promjer DN1000, dok se cijevi i spojni dijelovi protežu do DN800, rješavajući nedostatke tržišta i održavajući našu konkurentsku prednost u industriji.
Vođen načelom "tehnološki vođen, u korak s vremenom", Kaixin izdvaja gotovo 10 milijuna RMB godišnje za istraživanje i razvoj. Osiguravamo vrhunsku kvalitetu proizvoda kroz standardiziranu automatiziranu proizvodnju i strogu nabavu uvezenih sirovina. U skladu s našom međunarodnom razvojnom strategijom, kontinuirano pratimo globalne tržišne trendove i iskorištavamo digitalne kanale kako bismo kupcima diljem svijeta donijeli visokokvalitetne proizvode "Made in China".
Ningbo • Fenghua baza za istraživanje i razvoj i proizvodnju
S ukupnim ulaganjem od 200 milijuna RMB, Kaixin Ultra-Pure Pipe Technology (Ningbo) Co., Ltd. uspostavio je novi laboratorij za materijale u suradnji sa sveučilištima i istraživačkim institutima, izgradio modernu proizvodnu bazu i instalirao 8 potpuno automatiziranih proizvodnih linija za modificiranu plastiku i 8 za polimerne materijale. Postrojenje je posvećeno istraživanju i razvoju, proizvodnji i primjeni nove modificirane plastike i polimernih materijala. Kaixin je također predan privlačenju vrhunskih talenata u različitim disciplinama, kontinuirano potičući inovacije proizvoda i razvoj robne marke, s ciljem da postane globalno priznati lider u istraživanju i razvoju i proizvodnji polimernih ventila, cijevi i fitinga.
Certificate Of Honor
  • honor
  • honor
  • honor
  • honor
  • honor
  • honor
  • honor
  • honor
  • honor
Vijesti