PVC-C univerzalna utičnica prirubnica DN15-600 1/2"-24" ANSI standard

Nova vrsta Uobičajena plitka siva PVC-C Univerzalna utičnica prirubnica DN15-DN600 Kemijski sanitarni plastični spojevi ANSI SCH80 Standard
Podrijetlo: Kina
Naziv marke: KXPV
Materijal: Plastika
Proces: kovani
Priključak: Utičnica
Oblik: Jednak
Šifra glave: kvadrat
Boja: svijetlo siva
Veličina: DN15-DN600
Primjena: Industrija
Pakiranje: karton
Radni tlak: 1 MPa
Vrijeme isporuke: 7 dana
Minimalna količina za narudžbu: 1 komad

Temperaturno vezan popis aplikacija
Materijal Srednja temperatura℃ Materijal Srednja temperatura℃
PVC-C -20 ℃ ~ 95 ℃ PVC-U -5℃~ 45℃
FRPP -20 ℃ ~ 120 ℃ PPH -20 ℃ ~ 110 ℃
PVDF 40 ℃ ~ 150 ℃

Strukturne značajke proizvoda

1. Izvrsna kemijska otpornost: temperaturni raspon je širok od -20 ℃ do 95 ℃. Sadržaj iona u mediju zadovoljava standarde ultra čiste vode. Higijenska izvedba u skladu je s nacionalnim sanitarnim standardima.
2. Izvanredna čvrstoća, žilavost i otpornost na kemijsku koroziju: materijal nudi vrhunsku čvrstoću i otpornost na kemijsku koroziju.
3. Izdržljivost: Iznimna otpornost na starenje i UV otpornost značajno produljuju životni vijek u usporedbi s drugim sustavima cjevovoda.
4. Niska toplinska vodljivost: Toplinska vodljivost je približno 1/200 čelika; usporavanja svojstva plamena su samogasivi.
5. Lagan: Teži samo oko 1/5 čeličnih cijevi i 1/6 bakrenih cijevi.
6. Nizak otpor, veliki protok: Glatka i čista stijenka cijevi rezultira minimalnim otporom trenja i prijanjanjem pri transportu tekućine.
7. Jednostavna instalacija, niska cijena: može se spojiti lijepljenjem, navojem, a najjednostavnije ljepilom, nudeći isplativo i korisniku prilagođeno rješenje.

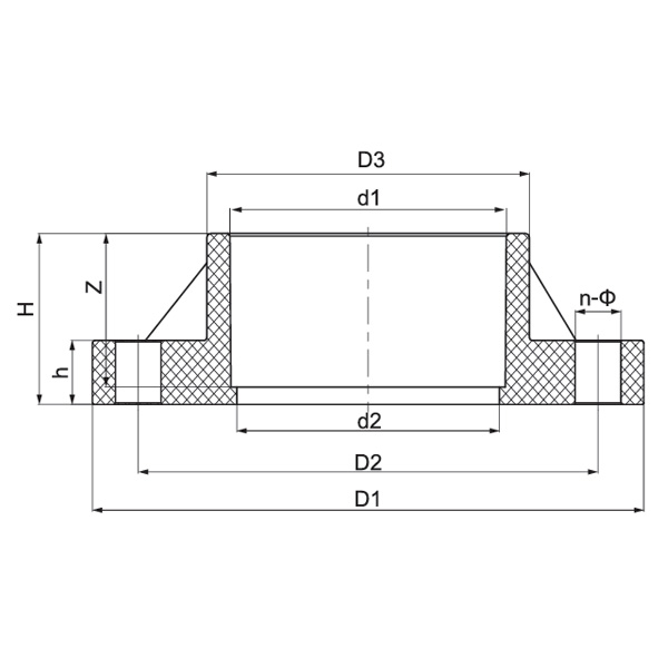
Popis dimenzija

Specifikacija D1
(mm)
D2
(mm)
D3
(mm)
d1
(mm)
d2
(mm)
H
(mm)
h
(mm)
Z
(mm)
n-Φ
(mm)
1/2″(15) 89 60 31.5 21.34 18 27 16 22.5 4-Φ16
3/4″(20) 95 70 37 26.67 23 30.5 18 25.5 4-Φ16
1″(25) 108 79 45 33.4 29 34.5 18 29 4-Φ16
1¼″(32) 117 89 54.5 42.16 38 37.5 18 32 4-Φ16
1½″(40) 127 98 61 48.26 44 40.5 20 35 4-Φ16
2″(50) 152 121 74 60.32 55 44.5 20 38.5 4-Φ19
2½″(65) 178 140 90 73.02 68 51 20 45 4-Φ19
3″(80) 191 152 107 88.9 83 54.5 21 48 4-Φ19
4" (100) 229 191 134 114.3 109 64 24 57.5 8-Φ19
5″(125) 254 216 163 141.3 134 73.5 25 67 8-Φ22
6" (150) 279 241 192 168.28 160 83.5 25 76.5 8-Φ22
8" (200) 343 299 247 219.08 210 109 29 102 8-Φ22
Poruka povratne informacije
O nama
Kaixin Pipeline Technologies Co., Ltd.
Osnovano 1999. godine, Kaixin Pipeline Technologies Co., Ltd. je visokotehnološko poduzeće koje integrira istraživanje i razvoj, proizvodnju, prodaju i usluge. Tvrtka ima višestruke prestižne certifikate, uključujući Nacionalno visokotehnološko poduzeće, Specijalizirano i sofisticirano malo i srednje poduzeće “Mali div”, Nacionalni prvak pojedinačnog proizvoda (uzgoj), Malo poduzetništvo temeljeno na provincijskoj tehnologiji, Specijalizirano i sofisticirano malo poduzetništvo u Ningbou, prvak pojedinačnog proizvoda Ningbo (uzgoj), Centar za istraživanje i razvoj tehnologije polimernih cijevi i ventila Ningbo, Zelena tvornica na razini okruga, Ningbo Poduzeće s četiri zvjezdice za inovacije u upravljanju i sposobnost upravljanja podacima u poduzeću Razina zrelosti 2.
Specijalizirani smo za razvoj, proizvodnju i opskrbu nemetalnih proizvoda otpornih na koroziju za kemijsku primjenu, uključujući plastične ventile, cijevi, priključke za cijevi i pumpe otporne na koroziju. Naš portfelj proizvoda obuhvaća materijale kao što su PVC-C, PVC-U, PVDF, PPH i FRPP, sa širokim rasponom vrsta i specifikacija. Naime, naši leptirasti ventili mogu doseći promjer DN1000, dok se cijevi i spojni dijelovi protežu do DN800, rješavajući nedostatke tržišta i održavajući našu konkurentsku prednost u industriji.
Vođen načelom "tehnološki vođen, u korak s vremenom", Kaixin izdvaja gotovo 10 milijuna RMB godišnje za istraživanje i razvoj. Osiguravamo vrhunsku kvalitetu proizvoda kroz standardiziranu automatiziranu proizvodnju i strogu nabavu uvezenih sirovina. U skladu s našom međunarodnom razvojnom strategijom, kontinuirano pratimo globalne tržišne trendove i iskorištavamo digitalne kanale kako bismo kupcima diljem svijeta donijeli visokokvalitetne proizvode "Made in China".
Ningbo • Fenghua baza za istraživanje i razvoj i proizvodnju
S ukupnim ulaganjem od 200 milijuna RMB, Kaixin Ultra-Pure Pipe Technology (Ningbo) Co., Ltd. uspostavio je novi laboratorij za materijale u suradnji sa sveučilištima i istraživačkim institutima, izgradio modernu proizvodnu bazu i instalirao 8 potpuno automatiziranih proizvodnih linija za modificiranu plastiku i 8 za polimerne materijale. Postrojenje je posvećeno istraživanju i razvoju, proizvodnji i primjeni nove modificirane plastike i polimernih materijala. Kaixin je također predan privlačenju vrhunskih talenata u različitim disciplinama, kontinuirano potičući inovacije proizvoda i razvoj robne marke, s ciljem da postane globalno priznati lider u istraživanju i razvoju i proizvodnji polimernih ventila, cijevi i fitinga.
Certificate Of Honor
  • honor
  • honor
  • honor
  • honor
  • honor
  • honor
  • honor
  • honor
  • honor
Vijesti