FRPP H41F-10S nepovratni ventil životnog vijeka DN40-80 GB Standard

Zeleno Dug radni vijek Nepovratni ventil tipa podizanja Prilagođeni DN40-DN80 6 10 inčni dvosmjerni plastični FRPP nepovratni ventil
Mjesto porijekla: Kina
Naziv marke: KXPV
Broj modela: H41F-10S
Primjena: Općenito
Materijal: Plastika
Temperatura medija: srednja temperatura, normalna temperatura
Tlak: Srednji tlak
Napajanje: ručno
Mediji: kiselina
Veličina priključka: DN40-DN80
Struktura: Provjerite
Naziv proizvoda: nepovratni ventil
Boja: zelena
Pakiranje: Kartonska kutija
Vrijeme isporuke: 7 dana
MOQ: 1 komad

Vlačna klasa: 1.0Mpa(10bar)

Strukturne značajke proizvoda

1. Kompletan raspon specifikacija
2. Pouzdana izvedba
3. Širok raspon primjene
4. Jednostavna i pouzdana instalacija
5. Može se instalirati na bilo kojem mjestu

Temperaturno vezan popis aplikacija

Materijal Srednja temperatura℃ Materijal Srednja temperatura℃
PVC-C -20 ℃ ~ 95 ℃ PVC-U -5℃~ 45℃
FRPP -20 ℃ ~ 120 ℃ PPH -20 ℃ ~ 110 ℃
PVDF 40 ℃ ~ 150 ℃

Tablica materijala dijela
br. Ime Materijal
1 poklopac motora FRPP
2 O-prsten EPDM
3 Klipovi PP PTEE
4 Tijelo FRPP

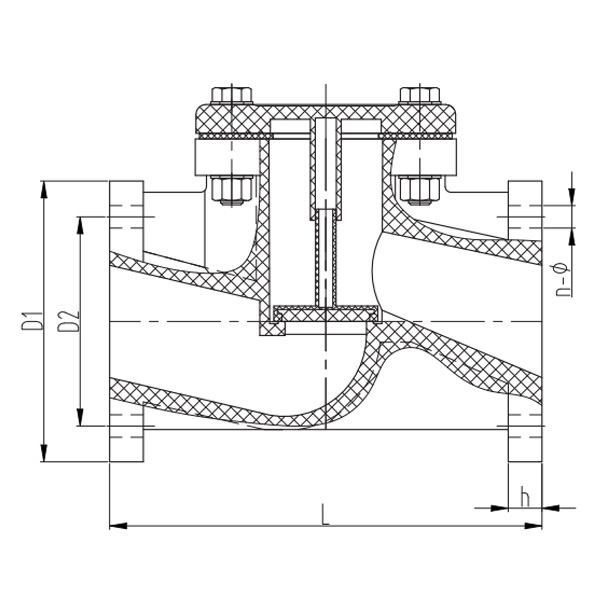
Detaljni crtež nepovratnog ventila životnog vijeka

Popis dimenzija

DN (mm) D d L b n-Φ
GB JIS ANSI GB JIS ANSI
40 (11/2") 150 110 110 98.4 200 20 4-Φ18 4-Φ19 4-Φ16
50 (2") 165 125 125 120.7 230 20 4-Φ18 4-Φ19 4-Φ18
65 (21/2") 185 145 145 139.7 295 24 4-Φ18 4-Φ19 4-Φ18
80 (3") 200 160 160 152.4 310 25 8-Φ18 8-Φ19 4-Φ18

Poruka povratne informacije
O nama
Kaixin Pipeline Technologies Co., Ltd.
Osnovano 1999. godine, Kaixin Pipeline Technologies Co., Ltd. je visokotehnološko poduzeće koje integrira istraživanje i razvoj, proizvodnju, prodaju i usluge. Tvrtka ima višestruke prestižne certifikate, uključujući Nacionalno visokotehnološko poduzeće, Specijalizirano i sofisticirano malo i srednje poduzeće “Mali div”, Nacionalni prvak pojedinačnog proizvoda (uzgoj), Malo poduzetništvo temeljeno na provincijskoj tehnologiji, Specijalizirano i sofisticirano malo poduzetništvo u Ningbou, prvak pojedinačnog proizvoda Ningbo (uzgoj), Centar za istraživanje i razvoj tehnologije polimernih cijevi i ventila Ningbo, Zelena tvornica na razini okruga, Ningbo Poduzeće s četiri zvjezdice za inovacije u upravljanju i sposobnost upravljanja podacima u poduzeću Razina zrelosti 2.
Specijalizirani smo za razvoj, proizvodnju i opskrbu nemetalnih proizvoda otpornih na koroziju za kemijsku primjenu, uključujući plastične ventile, cijevi, priključke za cijevi i pumpe otporne na koroziju. Naš portfelj proizvoda obuhvaća materijale kao što su PVC-C, PVC-U, PVDF, PPH i FRPP, sa širokim rasponom vrsta i specifikacija. Naime, naši leptirasti ventili mogu doseći promjer DN1000, dok se cijevi i spojni dijelovi protežu do DN800, rješavajući nedostatke tržišta i održavajući našu konkurentsku prednost u industriji.
Vođen načelom "tehnološki vođen, u korak s vremenom", Kaixin izdvaja gotovo 10 milijuna RMB godišnje za istraživanje i razvoj. Osiguravamo vrhunsku kvalitetu proizvoda kroz standardiziranu automatiziranu proizvodnju i strogu nabavu uvezenih sirovina. U skladu s našom međunarodnom razvojnom strategijom, kontinuirano pratimo globalne tržišne trendove i iskorištavamo digitalne kanale kako bismo kupcima diljem svijeta donijeli visokokvalitetne proizvode "Made in China".
Ningbo • Fenghua baza za istraživanje i razvoj i proizvodnju
S ukupnim ulaganjem od 200 milijuna RMB, Kaixin Ultra-Pure Pipe Technology (Ningbo) Co., Ltd. uspostavio je novi laboratorij za materijale u suradnji sa sveučilištima i istraživačkim institutima, izgradio modernu proizvodnu bazu i instalirao 8 potpuno automatiziranih proizvodnih linija za modificiranu plastiku i 8 za polimerne materijale. Postrojenje je posvećeno istraživanju i razvoju, proizvodnji i primjeni nove modificirane plastike i polimernih materijala. Kaixin je također predan privlačenju vrhunskih talenata u različitim disciplinama, kontinuirano potičući inovacije proizvoda i razvoj robne marke, s ciljem da postane globalno priznati lider u istraživanju i razvoju i proizvodnji polimernih ventila, cijevi i fitinga.
Certificate Of Honor
  • honor
  • honor
  • honor
  • honor
  • honor
  • honor
  • honor
  • honor
  • honor
Vijesti